延续电磁离合器、机电致动器及涡轮机第五节,电机以及线圈均由控制器控制,该控制器包括名义阀门入口和实际阀门入口,这些阀门入口指的是阀门活塞名义上的位置和实际上的位置,为确定阀门活塞的实际位置,在阀门活塞上,例如在摇臂和阀门之间安装一位置传感器。当阀门弹簧对阀门活塞施加弹簧力,使阀门保持在关闭位时,致动器就不再向阀门活塞施加动量或力以关闭阀门。因此在图3所示的实施例中,电机和线圈均为不运行状态,由于薄板元件经过预压处理,因此即使插入部分上没有电磁力作用个,当转子不旋转时,各插入部分仍咬合在相应的凹槽内。
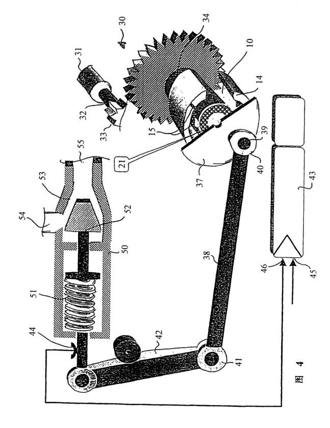
在图4的阀门好机电致动器的布置图中所示出的阀门位于开启位。在这种情况下,电机和线圈均为运行状态,因此曲柄盘转至导致推杆沿轴向运动的位置,通过将推杆的轴向运动经摇臂转换为阀门活塞的轴向运动,阀门活塞从阀门座上脱离,从而阀门入口和阀门出口之间的流体得以连通,使得一次蒸汽流入蒸汽涡轮机,利用多级传动装置,转子与圆筒形元件相连,电机产生的扭矩转换成力,该力作用于阀门活塞上,以克服阀门弹簧施加于阀门活塞上的弹簧力。
如果阀门紧急关闭,电机和线圈都不再运行。电机一旦运转,阀门弹簧施加于阀门活塞上的弹簧力就会立即启动关闭位状态下的阀门活塞的运动,阀门活塞的这种运动将转换成电磁离合器的圆筒形元件的旋转运动。由于线圈不运行,而圆筒形元件又要旋转,薄板元件的插入部分被迫脱离出凹槽,使得圆筒形元件能够进行旋转,当圆筒形元件至少部分浸入贮油器时,圆筒形元件的旋转运动产生一阻尼,该阻尼确保阀门活塞不会撞到或损坏到阀门座。因此由于圆筒形元件所具有的阻尼,如果阀门活塞紧急关闭,阀门座可免遭伤害。
